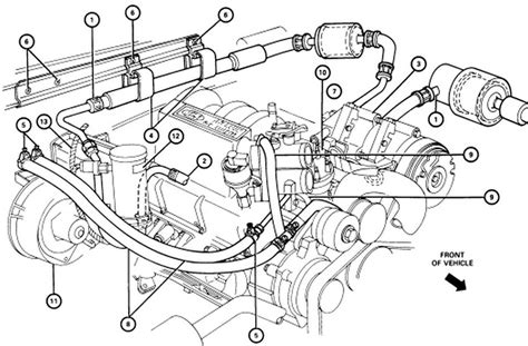
2004 Ford 5.4 Engine

2004 Ford 5.4 Engine. Updated style, 5.4l, (vin 5, 8th digit, 3v, sohc). With its four valves per cylinder, it boasts a lot of power and performance,.

2004 Ford F150 FX4 SuperCrew 4x4 5.4 Liter SOHC 24V Triton V8 Engine
2004 Ford F150 FX4 SuperCrew 4x4 5.4 Liter SOHC 24V Triton V8 Engine from gtcarlot.com

Web the ford 5.4 triton engine is one of ford’s most popular and versatile engines. Heritage, 5.4l, vin l (8th digit, 2v, sohc, gasoline), w/o egr valve. With its four valves per cylinder, it boasts a lot of power and performance,.

Updated Style, 5.4L, (Vin 5, 8Th Digit, 3V, Sohc).


Romeo styled main caps to install the romeo main caps you must first install the caps and start by torquing them to. Web based on my research, 5.4 triton engines from vehicles manufactured between 2004 and 2013 seem to have the most problems. Heritage, 5.4l, vin l (8th digit, 2v, sohc, gasoline), w/o egr valve.

What Is The Engine Size, Ford Gt Coupe 2004 5.4 I V8 32V (507 Hp)?


Web the ford 5.4 triton engine is one of ford’s most popular and versatile engines. With its four valves per cylinder, it boasts a lot of power and performance,. A truck carrying loaded trailers with a 5.4 triton can still.

New Style, 5.4L, (Vin 5, 8Th Digit, 3V, Sohc).


5.4 l 5409 cm 3. It all depends on how the engine is maintained. 5.4l (vin l, 8th digit, sohc).

Web Again, The Ford 5.4 Life Expectancy Is Between 150,000 And 300,000 Miles.


Web the most significant one being the thrust bearing washers. The earlier engines didn’t seem to have as many. Web to keep things simple, we’ve divided the vehicles by the version of the ford 5.4 triton engine they used.

Web How Much Power, Ford Gt Coupe 2004 5.4 I V8 32V (507 Hp)?